- FLANGES PADRÃO ANSI B16.5
 |
 |
 |
| Flange Sobreposto |
Flange com Pescoço |
Flange Cego |
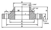
DIMENSÕES
Classe de Pressão |
DN Ø |
Medidas Diversas |
| A |
B |
C |
D |
G |
H |
J |
K |
L |
M |
N |
Nº de Furos |
| 150 |
½" |
21,3 |
11,1 |
22,4 |
88,9 |
34,9 |
47,6 |
15,7 |
60,3 |
15,9 |
30,2 |
15,9 |
4 |
| 300 |
21,3 |
14,3 |
22,4 |
95,2 |
34,9 |
52,4 |
15,7 |
66,7 |
15,9 |
38,1 |
22,2 |
4 |
| 150 |
¾" |
26,7 |
12,7 |
27,7 |
98,4 |
42,9 |
52,4 |
20,8 |
69,8 |
15,9 |
38,1 |
15,9 |
4 |
| 300 |
36,7 |
15,9 |
27,7 |
117 |
42,9 |
57,2 |
20,8 |
82,6 |
19,0 |
47,6 |
25,4 |
4 |
| 150 |
1" |
33,4 |
14,3 |
34,5 |
108 |
50,8 |
55,6 |
26,7 |
79,4 |
15,9 |
49,2 |
17,5 |
4 |
| 300 |
33,4 |
17,5 |
34,5 |
124 |
50,8 |
61,9 |
26,7 |
88,9 |
19,0 |
54,0 |
27,0 |
4 |
| 150 |
1½" |
42,2 |
15,9 |
43,2 |
117 |
63,5 |
57,2 |
35,1 |
88,9 |
15,9 |
58,7 |
20,6 |
4 |
| 300 |
42,2 |
19,0 |
43,2 |
133 |
63,5 |
65,1 |
35,1 |
98,4 |
19,0 |
63,5 |
27,0 |
4 |
| 150 |
1¼" |
48,3 |
17,5 |
49,5 |
127 |
73,0 |
61,9 |
40,9 |
98,4 |
15,9 |
65,1 |
22,2 |
4 |
| 300 |
48,3 |
20,6 |
49,5 |
156 |
73,0 |
68,3 |
40,9 |
114 |
22,2 |
69,8 |
30,2 |
4 |
| 150 |
2" |
60,3 |
19,0 |
62,0 |
152 |
92,1 |
63,5 |
52,6 |
121 |
19,0 |
77,8 |
24,4 |
4 |
| 300 |
60,3 |
22,2 |
62,0 |
165 |
92,1 |
69,8 |
52,6 |
127 |
19,0 |
84,1 |
33,3 |
8 |
| 150 |
2½" |
73,0 |
22,2 |
74,7 |
178 |
105 |
69,8 |
62,7 |
140 |
19,0 |
90,5 |
28,6 |
4 |
| 300 |
73,0 |
25,4 |
74,7 |
190 |
105 |
76,2 |
62,7 |
149 |
22,2 |
100 |
38,1 |
8 |
| 150 |
3" |
88,9 |
23,8 |
90,7 |
190 |
127 |
69,8 |
78,0 |
152 |
19,0 |
108 |
30,2 |
4 |
| 300 |
88,9 |
28,6 |
90,7 |
210 |
127 |
79,4 |
78,0 |
168 |
22,2 |
117 |
42,9 |
8 |
| 150 |
4" |
114 |
23,8 |
116 |
229 |
157 |
76,2 |
102 |
190 |
19,0 |
135 |
33,3 |
8 |
| 300 |
114 |
31,8 |
116 |
254 |
157 |
85,7 |
102 |
200 |
22,2 |
146 |
47,6 |
8 |
| 150 |
5" |
141 |
23,8 |
144 |
254 |
186 |
88,9 |
128 |
216 |
22,2 |
164 |
36,5 |
8 |
| 300 |
141 |
34,9 |
144 |
279 |
186 |
98,4 |
128 |
235 |
22,2 |
178 |
50,8 |
8 |
| 150 |
6" |
168 |
25,4 |
171 |
279 |
216 |
88,9 |
154 |
241 |
22,2 |
192 |
39,7 |
8 |
| 300 |
168 |
36,5 |
171 |
318 |
216 |
98,4 |
154 |
270 |
22,2 |
206 |
52,4 |
12 |
| 150 |
8" |
219 |
28,6 |
221 |
343 |
270 |
102 |
203 |
298 |
22,2 |
246 |
44,4 |
8 |
| 300 |
219 |
41,3 |
221 |
381 |
270 |
111 |
203 |
330 |
25,4 |
260 |
61,9 |
12 |
| 150 |
10" |
273 |
30,2 |
276 |
406 |
324 |
102 |
255 |
362 |
25,4 |
305 |
49,2 |
12 |
| 300 |
273 |
47,6 |
276 |
444 |
324 |
117 |
255 |
387 |
28,6 |
321 |
66,7 |
16 |
| 150 |
12" |
324 |
31,8 |
327 |
483 |
381 |
114 |
305 |
432 |
25,4 |
365 |
55,6 |
12 |
| 300 |
324 |
50,8 |
327 |
521 |
381 |
130 |
305 |
451 |
31,8 |
375 |
73 |
16 |
| 150 |
14" |
356 |
34,9 |
359 |
533 |
413 |
127 |
336,5 |
476 |
28,6 |
400 |
57,2 |
12 |
| 300 |
356 |
54 |
359 |
584 |
413 |
143 |
336,5 |
514 |
31,8 |
425 |
76,2 |
20 |
| 150 |
16" |
406 |
36,5 |
410 |
597 |
470 |
127 |
387 |
540 |
28,6 |
457 |
63,5 |
16 |
| 300 |
406 |
57,2 |
410 |
648 |
470 |
146 |
387 |
572 |
34,9 |
483 |
82,6 |
20 |
| 150 |
18" |
457 |
39,7 |
462 |
635 |
533 |
140 |
438 |
578 |
31,8 |
505 |
68,3 |
16 |
| 300 |
457 |
60,3 |
462 |
711 |
533 |
159 |
438 |
629 |
34,9 |
533 |
88,9 |
24 |
| 150 |
20" |
508 |
42,9 |
513 |
698 |
584 |
144 |
489 |
635 |
31,8 |
559 |
73,0 |
20 |
| 300 |
508 |
63,5 |
513 |
775 |
584 |
162 |
489 |
686 |
34,9 |
587 |
95,2 |
24 |
| 150 |
24" |
610 |
47,6 |
616 |
813 |
692 |
152 |
590,5 |
749 |
34,9 |
664 |
82,6 |
20 |
| 300 |
610 |
69,8 |
616 |
914 |
692 |
168 |
590,5 |
813 |
41,3 |
702 |
106 |
24 |
|